大2倍空氣增壓泵
- ◆ 對工廠氣路系統進行增壓、保壓、保證生產用氣穩定進行。
◆ 滿足所有設備對高壓力的要求。
◆ 閥門、管件、儀器儀表、壓力容器等的耐壓和爆破測試。
◆ 安全閥門校定。
◆ 高壓氣體系統及儀器的測試。
我司兩倍空氣增壓泵分為大小2倍空氣增壓泵,玖容空氣增壓泵廠家直銷價格實惠,大小2倍的區別在于流量大小,大2倍的高壓后流量為80升/min,小2倍的高壓后流量為40升/min。倍數越大流量越小,至于選擇何種產品,得看客戶性能要求而定。
大2倍空氣增壓泵型號為JRN-A-L2B-E,小2倍空氣增壓泵型號為JRN-A-L2-E,帶灌的為JRN-C-L2-E大2倍空氣增壓閥,玖容廠家非標專業定制,專業研發生產制造,歡迎廣大新老客戶選型報價:400-833-2669。
【大2倍空氣增壓泵產品型號說明】:
【大2倍空氣增壓泵產品特點】:
1、使用方便:無需任何電源,利用壓縮空氣作為動力源對壓縮空氣進行增壓,使出口壓力達到2倍進氣壓壓力。通過調整進氣壓力,可以很方便地獲得所需壓力。
2、自動保壓:當出口壓力達到預設定壓力值時,空氣增壓泵自動停止工作,節約能源;當出口壓力低于預設定壓力值時,自動補壓,保持壓力恒定,補壓時無額外能量消耗,環保節能。
3、操作安全:采用氣動驅動,無電弧及火花,適用于易燃易爆的氣體及場合。
4、外觀新穎:本產品具有結構緊湊新穎,運行平穩,氣體使用頻率極高的特點。
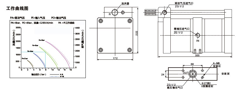
【大2倍空氣增壓泵外形尺寸】:
【大2倍空氣增壓泵參數指標】:
【空氣增壓泵工作原理】:
空氣增壓泵是一種以壓縮空氣為動力源的一種活塞式增壓泵。當進氣時增壓氣控閥的閥芯往復切換工作,控制增壓閥活塞以極快的速度作往復動作。隨著輸出壓力增大,活塞的往復速度減慢直到停止,此時,增壓泵輸出壓力達到恒定,各部件停止工作耗能達到最低。不管是什么原因導致保壓回路壓力下降,增壓泵都會自動啟動補充壓力以達到回路壓力恒定的效果。
【大2倍空氣增壓泵產品應用】:
1、高壓氣體系統和儀器測試;
2、對工廠氣路系統增壓、保壓,保障生產用氣穩定;
3、安全閥門校定;
4、閥門、儀器儀表、壓力容器、管件等耐壓和爆破測試;
5、滿足設備高壓力要求等等。
【空氣增壓泵典型應用原理圖】:
- *聯系人:
- *手機:
- 公司名稱:
- 郵箱:
- *采購意向:
-
*驗證碼:




